皓特蒸汽換熱機組

專利號:ZL2015 2 0517289.4
一、 概述
減溫減壓裝置和板式換熱機組在一起組合還是第一回,利用減溫減壓裝置的恒溫恒壓的特點,保障板換膠墊不被高溫蒸汽破壞,板換的優點全部體現出來了,占地小,重量輕、造價低、換熱效率高等特點,汽水換熱新方式------皓特蒸汽換熱機組。
二、 工作原理
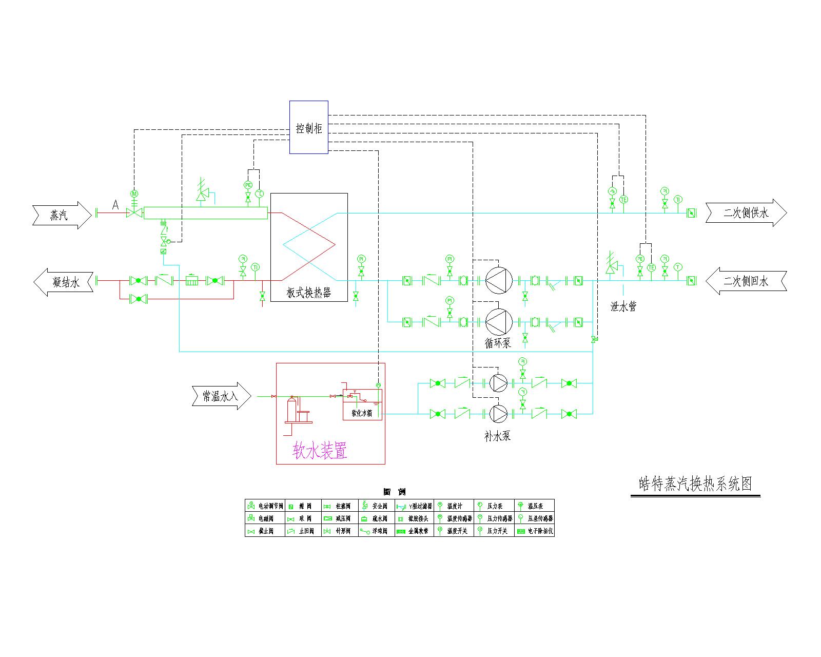
先是減壓:過熱蒸汽或飽和蒸汽通過減壓,變成過熱蒸汽,A點蒸汽經過減壓調節閥,通過調節減壓閥的開度控制B點的壓力。后是減溫:向過熱蒸汽噴射定量的霧化水,霧化水被蒸汽汽化,吸收蒸汽熱量,過熱蒸汽溫度降低,達到飽和蒸汽。換熱器一、二次出入口均有溫度、壓力傳感器,數據實時上傳PLC,PLC通過用戶的參數設定,自動控制B、D點的溫度和B壓力,B、D點的溫度和B壓力任何一個參數超過設定值,電動調節閥將自動減小蒸汽流量,直至關閉閥門。當設備故障、超溫、超壓等,A點的調節閥自動關閉,循環泵自動開啟。
上圖:皓特蒸汽換熱機組原理圖
三、特點:
1、板換蒸汽入口溫度可控化,這是以前的換熱器無法做到的。
2、完全保證換熱器始終是汽水換熱,從而提高換熱效率。也就是同樣的工況負荷,可以減少換熱面積,減少設備成本。
3、降低蒸汽壓力,提高蒸汽潛熱焓值,提高熱用率。
整體設備體積小重量輕,沒有管殼式換熱器的龐大體積和維修空間,體積等同于純板式換熱機組,減溫減壓過程在管道連接中完成,不受空間面積限制。
4、入口蒸汽溫度壓力最高,溫度450℃,壓力6.0MPa,根據用戶要求可以更高,入口蒸汽的溫度壓力不穩定對設備沒有影響,管殼式換熱機組一般最高300℃,2.0MPa,板式換熱器一般最高150℃,1.0MPa.入口的溫度壓力變化對設備有影響。
5、節能,通過霧化水減溫,將冷凝水汽化成低壓飽和蒸汽,減少蒸汽使用量。同樣由于是接觸式減溫沒有熱損失。
6、一閥多用:(減壓閥和溫控閥功能)A點電動調節閥,在控制B點壓力優先的同時控制B點溫度,在設備故障等非常規的運行時關閉電動閥,保證設備安全。
7、一泵二用:(減溫水泵和二次補水泵)增壓泵保證減溫水參數運行,電磁閥控制補水量。
一次熱源標準化:熱源入口只要壓力超過0.4MPa,一律按0.4MPa飽和蒸汽計算
換熱機組客戶詢問單
|
壓力P(Mpa) |
溫度T(℃) |
換熱量Q(kw/h) |
|||
一次側參數 |
|
|
|
|||
二次側參數 |
|
|
||||
|
||||||
用途 |
1、采暖 |
2、空調 |
3、熱水 |
4、工藝 |
|
|
控制方式 |
1、現場就地控制 |
2、DDC |
3、PLC |
|||
通訊 |
1、無 |
2、有 |
|
|||
項目使用地: |
|
|||||
備注: |
|
|||||
|
||||||
聯系信息 |
||||||
姓名: |
|
|||||
公司名稱: |
|
|||||
聯系電話: |
|
|||||
手機: |
|
|||||
E-mail: |
|
|||||